CARACTERIZACIÓN DE LA INFLUENCIA ANTRÓPICA en LOS PALEODERRAMES DEL BERMEJO A partir de un enfoque SISTÉMICo

(x)L

Anterior

Siguiente

7. CONCLUSIÓN

A partir de un enfoque sistémico pueden caracterizarse a los paleoderrames del Bermejo como un sistema abierto sujeto a la continua influencia de uno sus universos controlantes, el antrópico. El mismo genera importantes cambios que son visto por el sistema geomorfológico como impactos sobre los subsistemas (biótico, edáfico, hidrológico, litoestructural) y sus interacciones generando un sinnúmero de problemáticas ambientales, lo que da lugar a continuos procesos de retroalimentación para adaptarse al cambio y buscar un nuevo equilibrio. Esto en su conjunto tendría como resultado un sistema muy distinto al imperante con anterioridad a la acción antrópica, en el cual podrían recomenzar nuevos procesos de interacción de los subsistemas que lo integran y de retroalimentación como respuestas a posibles cambios.

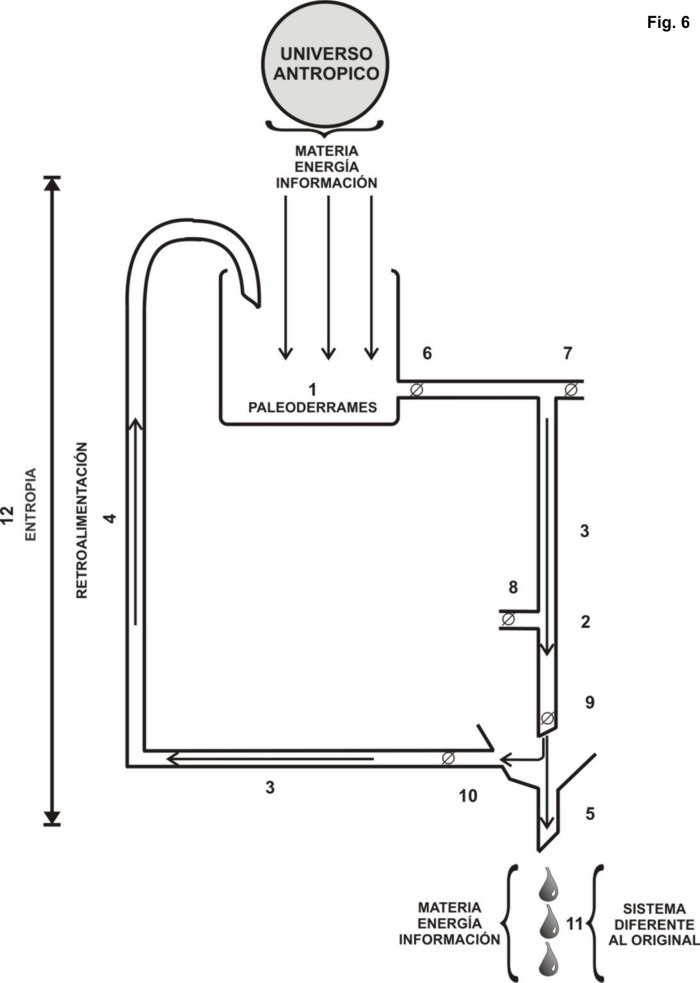
En el esquema de la fig. 5 se brinda una primera aproximación del comportamiento del sistema geomorfológico bajo la acción del universo antrópico:

1.   Paleoderrames: es el sistema geomorfológico y se comporta como un sistema abierto que recibe:

Materia: cultivos de plantación, ganado vacuno, población, infraestructuras, etc.

Energía: explotación forestal y agrícola ganadera, etc.

Información: políticas económicas y de ocupación del espacio, etc.

2.   Impactos ambientales: red de comunicación articulada entre los diferentes subsistemas que buscan adaptarse a los cambios generados por la acción antrópica.

3.   Flujos: Información (tendencia natural y acción antrópica) que circula por las redes que puede encontrarse adaptada a las circunstancias de los receptores.

4.   Bucles: retroalimentación de la información generada en el espacio y el tiempo por la tendencia natural y acelerada por la acción antrópica.

5.   Sumidero: Problemáticas ambientales resultantes.

6.   Válvula que regula el paso de materia, energía, información en una primera etapa de ocupación del espacio que tiene que ver con el costo de la tecnología que se utilice y su adaptación al medio.

7.   Válvula que regula el paso de energía e información que responde a las condiciones del medio imperante (por ejemplo sucesión de períodos húmedos y secos)

8.   Válvula que regula el paso de información en relación al conocimiento sobre el comportamiento del medio natural que se tenga o haya generado.

9.   Válvula que regula el paso de energía e información que responde al interés del mercado imperante (nuevas políticas económicas).

10.  Válvula que regula la retroalimentación de la información generada en el sistema.

11. Situación particular en la evolución del proceso de antropización de los paleoderrames que se pueden ver como:

Materia: cultivos y ganadería de subsistencia, división parcelaria extremas, etc.

Energía: reconversión y adaptación, procesos erosivos, desforestación, etc.

Información: degradación de recursos, subsidios o subenciones, pobreza, inmigración rural, crecimiento urbano, etc.

12. Entropía: tiempo de repuesta entre el impacto de una acción antrópica y la repuesta del medio sobre esta y viceversa.


  ANTERIOR  

4 de 5  SIGUIENTE 


Instituto de Geografía (IGUNNE)

Facultad de Humanidades - UNNE

Av. Las Heras 727 - Resistencia - Chaco (CP 3500)

República Argentina

TelFax Nº (+54) 3722 - 446958:  (Int.316)

Correo electrónico: geogra@hum.unne.edu.ar